Japan Day 8
March 1st, 2001
@ Kyoto, Japan
   
All Photos © 2001 Ting and Randy Vogel
    
   

YESTERDAY
   
 Today's travels
 Instruments of Oral Hygeine

We had hoped to get an early start on today's sightseeing and hiking, but the combination of vacation lethargy and a big morning meal at the hotel meant that we didn't get out on the road until past 10 am. That, and the lengthy lunch shopping expedition in the underground grocery store. After waiting ten minutes or so at the bus station, we climbed onto the bus bound for Ohara (about an hour's ride), and Ting promptly fell asleep. Note the fare-sign at the front of the bus. You enter the bus from the rear, pulling off a ticket from the dispenser by the door. When you get off, you calculate your fare by matching the number on your ticket to the number displayed on the fare-sign.

Arriving in Ohara, we hopped off the bus and crossed the road, following the dotted path marked on the map. It was a cold grey day, maybe 50 or 55 degrees out, but the sky was brightly lit, so we didn't expect it to rain continuuously like yesterday. In ancient times, Ohara was highly regarded as a holy site by followers of the Jodo school of Buddhism, but today it is a sleepy farming town, nestled in the mountains. Most of the shops along the road to Sanzenin were closed, but a few were open, and we added some fresh-baked crackers and sugared lemon-peel to our lunch-stash. After about ten-minutes walk uphill, we reached Sanzenin, the largest of the temples in Ohara.

Sanzenin was founded over a thousand years ago by Saicho, one of the revered patriarchs of Japanese Buddhism, to house an image of Yakushi Nyorai, the Buddha of Healing. After buying our tickets at the entrance booth, we were handed plastic bags for our shoes. Clad in stocking feet, we began our trek through the temple. We started in the Reception Hall of the Abbot's Quarters and followed the tatami mat path from room to room and building to building, stopping to admire the art and take pictures of the more striking pieces. Many of the rooms were opened to the outside via sliding shoji doors, so it was rather chilly inside. 

In the hondo, or main altar room, also known as the Ojo Gokuraku-in, or Temple of Rebirth in Paradise, two monks sat writing out prayers and supplications, wrapped in warm blankets. This hall was originally constructed in 985 A.D., and renovated in 1143 A.D. It is presently the oldest temple building in Ohara. The walls and ceilings were once covered with bright scenes of Amida's paradise, but the paintings have been considerably darkened by centuries of inscense and smoke, and so were only dimly visible. In the Amitabha trinity, the central statue of Amida was completed in 986 A.D., while the kneeling attendant boddhisattvas, Seishi (god of wisdom) and Kannon (with the lotus) were completed later. All three statues were constructed of cedar blocks, fitted together, then clothed and lacquered in gold. After spending a few minutes to contemplate the marvelous altar while sharing the warmth from their kerosene heaters, we exited the temple building and put our shoes back on while perched on the steps leading into the gardens.

The garden grounds were quite serene, as there were only a few gardeners and a half-dozen other visitors there to appreciate the scenery. Statues had been placed hither and thither in strategic spots, while an artifically constructed koi pond meandered in a large loop leading out away from the main buildings.

Unfortunately, the shrine with the gold-leaf lintels was closed up -- no doubt because there were so few visitors at this time, so we could only guess what treasures we missed out on!

Climbing a short stairway up to the upper gardens, we paused for a moment before the statue of the goddess of music and found ourselves serenaded by a warbling songbird. Following the more gradual path, we walked through the forest to the far side of the temple grounds and found an open-walled shelter housing a weathered stone statue of Amida Buddha that dated back to the founding of the temple in approximately 800 AD. Beyond the shelter, the walls of the narrow valley closed in, enfolding a swift stream that roughly marked the boundary of the temple grounds.

We stood a moment or two on a small footbridge that straddled the stream, listening to the gurgling rush of the water and watching the occasional leaf or stick tumbling its way towards the ocean. As it had begun to drizzle, we headed back towards the center of the temple grounds and soon found an open-air shelter complete with broad, square picnic table-benches, upon which we decided that despite the cold, it was time for lunch!

From our shelter we could look over at a newer set of temple buildings, or down the valley at the stone buddha, or out across the valley cleft at the bright red bridge we had just visited. We munched on our fish-filled, sea-weed wrapped rice-balls, and decided then and there that the wrap-it-yourself balls that came from the deli cooler with plastic-sealed seaweed were much tastier than the somewhat soggy pre-wrapped rice-balls that came from the gourmet section of the grocery store. Bananas, crunchy peas, candied ginger and sugared lemon peel formed the second course for this lunch. By the time we were finished, we were both pretty cold.

We headed over to the temple shown in 1P, hoping to find another shrine warmed by kerosene heaters, but the building was closed up. After a quick jaunt uphill to view the memorial temple (and over 10,000 two-inch tall buddha icons, all neatly arranged on racks, with plenty of room for more), we descended back through the garden, past the goddess of music, through the row of torii gates and right up to the souvenir stalls, where friendly vendors were handing out hot tea as an incentive to come shopping.

It was outside the 'offical' vending booth that we noticed the stamp-pad and several rubber stamps...our introduction to the peculiar custom of collecting rubber or wood-block imprints to show that one has visited various Japanese pilgrimage-sites. Although we weren't prepared with a proper stamp-book, the monk inside the stall was more than happy to sell us a packet of Sanzenin postcards (shown at left), along with a nice white bag that was just right for stamping!

Exiting the temple and descending back to the street, we decided to skip the shops that offered food and souvenirs outside, figuring that we would be warm from the hike up to Otonashi no Taki (Soundless) Falls. Following the Ro River, the road gradually became narrower and narrower, while the pavement grew increasingly cracked and fragmented until we reached the trailhead sign. At this point, the crumbling road turned right, crossed the river and continued on an isocline, while a dirt trail meandered up the hillside. We followed the trail, reasonably confident that it would take us to our goal, sometimes walking along the river, other times leading us off under the trees.

After about ten or fifteen minutes of gradual ascent, we reached the falls. It was hard to imagine the fuss of the legend (that the falls were so loud that they drowned out the chanting of the monks at nearby Raigoin). On the contrary, it was peaceful, and the cascade of water tumbling downhill was entrancing. We stayed until it began to drizzle again, which signified that it was time to move under the canopy of the trees and walk back down into Ohara.

Stopping at Raigoin, about halfway back into town, we found the temple deserted except for a few monks walking from one building to another. Raigoin was founded a little under a thousand years ago as a school for monks to learn buddhist chanting. Although we didn't see any singing choruses, at various times during our visit there we could hear the monks practicing from within closed temple buildings.

After buying our tickets and collecting a fresh stamp for our new collection, we walked over to the main temple building, where a small shoji window had been opened to allow us to look inside at the statues of the main altar. From left to right, the three central images are Y(?), Amida (sp) and Sakyamuni. Standing as guardian on the left is a statue of Fudo Myoo, on the right is Bishamonten. We walked through the gardens and stopped for another picture at the stone pagoda marking the resting place of the temple founder, Ryonin.

Exiting the temple grounds, we retraced our steps along the road beside the river, passing several small, unmarked shrines or temples, and walking downhill until we reached Sanzenin, whereupon we turned and continued past the main gate to reach the smaller temples further along the road. The first shrine we reached was open, but the sign lacked an English translation, so we could not relate the name. The gate at the road opened up into an austere gravel garden that led up to a second gate standing before a small forest. On both sides of the gravel garden, budding rhododendrons and azaleas hinted that spring would arrive soon. Beyond the second, closed gate, smoke or incense wafted through the trees, accompanied by the sound of chanting monks. We spent a few minutes peering into the forest, trying to see whether the smoke came from a building or an open fire, but the density of both smoke and trees prevented us from seeing the source of the fragrant smoke.

Back on the road, Ting posed for a picture just before we reached the next temple, Shorinin. Apparently we had regained the main pilgramage route, as there were at least four other visitors walking the grounds when we arrived. Like many of the other temples, Shorinin was only dimly lit and no photographs were allowed inside the temple. Ting tried to be subtle with the camera by not using the flash. Unfortunately, the shot of the Eleven-headed Amitabha was just impossible without one, so she quickly flipped on the flash for that one picture (silently apologizing to the Buddha for the intrusion) just before another pair of pilgrims entered the temple. Without the flash, the camera shuttle stayed opened longer to let in more light, but it also made for fuzzier pictures if one could not hold the camera still long enough. Either that or the main Buddha simply did not want to be photographed, so we had to settle for the grainy image that's the basis of the filtered picture in the set at left. You can partially see the magnificently serene central buddha in the photo of the fierce-looking right-side guardian.

Our next stop was Hosenin. From the roadside, Hosenin appeared to be a residence, since it lacked a large hondo, but we were attracted by the description in our guidebook, which noted two interesting facts about this small temple. The first is that the gardens are dominated by a 700+ year-old white pine tree said to be shaped like Mount Fuji. The second is that the ceiling had been built from timbers salvaged from the floor of Fushimi castle following the dramatic defeat of samurai forces of the first shogun, Ieyasu, in a battle against the imperial army. Rather than burning the wood, sections of the castle floor were sent to four temples in the area around Kyoto, to be used in the construction of new buildings so that the wood may be purified by the rising incense, and the souls of the deceased warriors may be assuaged by the perpetual recital of prayers by the monks and priests.

Again, aside from the denizens of the temple, we were alone. After paying our entrance fee, the priestess/hostess ushered us in to a nice spot in the deserted teahouse from where we could observe both the gardens and the small shrine adjacent to the tearoom. She returned very shortly after seating us with two frothy cups of kampucha (green tea) and small Japanese cakes, and then left us alone to contemplate our surroundings. As it was still chilly outside, the hot tea, though bitter, was welcome warmth for both our hands and our tummies.

Several minutes after we had finished the tea, the priestess returned and ushered us to the outer perimeter of the tearoom (visible as the red-carpeted area in the two photos). With a slim staff in her hand, she then began to point out the stains in the ceiling made by the blood of the fallen samurai. Although the images were quite faint in the dim light, once your eyes managed to catch a contour or two, incredible amounts of detail would fill in. In several cases the wood recorded the agonizing grimace of a samurai's final moment when he toppled face foward after commiting seppuku. Other images showed the outline of limbs, or bloody handprints and knee prints. Partway through our 'tour' of the ceiling, a priest came and took over, pointing out new sights such as stains that revealed the patterns of the warrior's clothing and armor. Despite the ghoulish nature of the imagery, it was quite fascinating!

Upon reaching the far end of the room, the priest opened up a shoji screen and led us onto a deck that looked out on another side of the garden. He pointed out a pair of terrapins nestled in the reeds of the small koi pond, then motioned us over to a group of small 2-3" diameter pipes leading up from the pond and through the deck to a height of a foot or so. Bending over, he put his ear down close to a pipe and then paused for a moment as a beatific smile spread across his face. Taking our turns to listen, what we heard was a faint tinkle of bells accompanying the melodig gurgling of water sloshing in the pipes. An aquaphone! Cool!

Leaving Hosenin behind, we then tried to find Jikkoin, but the guide book map (reproduced at the top of the page) didn't quite seem to match the layout of paths or roads. Instead, we contented ourselves with looping back towards the bus station along a narrow footpath threading between the fields and an irrigation canal. At one point the path led back to a junction with the road, marked by a cluster of farmhouses with elegantly rusted rooftops. If you look carefully at photo (7), you'll notice two interesting things. First is the satellite dish peeking over the lower right corner of the roof -- things were not necessarily so rustic on the farm after all! Second is the black 'dai' character on the left-facing eave of the upper wall.

A little further down the road from the farmhouses we stopped on a red iron bridge to take a picture of one more small shinto shrine before returning to the footpath. Another ten minutes walk and we had finished our descent into the village. Seeing a bus at the station, we hustled back the last few hundred meters, but it turned out that we needn't have rushed, as the bus was closed up and the driver off on a break. After a few minutes waiting, the driver returned so that we could board. We picked out a pair of seats located strategically above one of the heating vents.

It grew dark as the bus returned to Kyoto. While Ting napped, I played solitaire on my Palm V and tried to guess the best stop for finding Shin Shin Do, the coffeehouse and bakery owned by our friend Taro Tsuzuki's family. Although he could not give us the exact address, Taro had indicated that the main shop was located near Kyoto University, somewhere close by the intersection of Kawaramachi-dori and Imadegawa-dori. We disembarked at Mikage-bashi and crossed over the Takano-gawa to head towards that landmark. 

As we passed by Shimogamojinja, we could not help but notice extra bright lights illuminating the trees from below and police or security guards standing along the road to wave on traffic or direct selected vehicles into a lot humming with generators. Crossing the road to investigate, we walked past all sorts of equipment trucks and luxury cars to find a scene being filmed before a side gate to the temple grounds. The two characters we saw were an elderly gatekeeper, visible in the first two pictures, and a heavily made-up woman dressed in fine silk. As we watched, they filmed several takes, each no longer than 30 seconds. In between takes, assistants would rush up to the two cast members and apply more makeup, offer hot tea or warm towels, or adjust the lighting to bring more or less illumination to the scene depending on the director's orders.

Standing in the cold to watch the film captivated us for only a few minutes however. We soon exited the temple grounds and continued on to Shimogamo-hondori where we turned left and walked down to Aoyobashi (sp) to cross over the Kamogawa. As a bitterly cold wind blew down the course of the river, we were glad to reach the cover of the close-built structures on the far side. Noticing a koban (I think it's the blue sign at the intersection marked Aoyobashi-Mitsuke), we entered to ask directions to Shin Shin Do. The older policeman eating roast chestnuts and sitting by the heater inside the door didn't seem to understand my broken Japanese, too well, but a strapping young officer entered a minute later, and after a moment, he understood my request and pulled out a city map. He pored over it for a few minutes, then studied my tourist map and traced the route to the coffeeshop with his finger. We thanked him for his help and then continued on our search.

As we walked down Teramachi-dori towards our goal, we passed along the outside of the imperial palace, as well as several temples, shrines, schools and other sights. Many were closed, but surprisingly, some were open, even brightly lit. An example of one such place is the Shi Mogoryo Jinja, shown in several pictures at left. According to the policeman's directions, we were to turn left into the first street following this shrine, then right at the next corner. Arriving in the right neighborhood and turning onto the correct street, we were a little doubtful, as things seemed pretty well closed up for the night. Fearing that we had gone astray, we stepped into a shoe store as the owner was closing down and asked for help again. Much to our relief, he pointed to a store front across the street and half a block down. Success!!

We rushed over and found two workers busy putting away pastries and cleaning up to go home for the night. I did my best to explain that we were friends of Taro and following a telephone call, they asked us to wait a few minutes. Before we had time to complete our survey of the baked goods, Taro's cousin Hajimu arrived, and we were able to convey greetings from America! We talked for a few minutes and updated Hajimu as to Taro's current email information, then presented him with a kleines geschenk, a CD of Soli Deo Gloria from last summer's show in Berkeley. After a few more minutes of conversation, Hajimu excused himself to get back to the office to finish up the day's paperwork. Happy to have attained another goal, we determined that it was time to look for a dinner spot.

Somehow we ended up in a covered arcade -- the route shown on the map for this next section is only approximate at this point -- and as we continued our search for the right place to eat, Randy was distracted by a large rack of hippie clothes topped by a "40% off" sign. At first glance, it appeared that the rack held only the usual assortment of ill-made cotton shirts from India and brightly colored rayon shirts from Indonesia common to deadhead vendors in the states. Upon closer look, however, Randy noticed several fine looking flannel jackets from Nepal, and after a bit of choosing, had selected one and taken it inside to try on. 

The tiny shop was no more than twelve feet wide and twenty feet long, and it was absolutely packed from the floor to the rafters with all the usual stuff: clothes in racks along one wall, hats, beanies, wallets, bags, purses, eyeglass cases, backpacks, bedspreads and other cloth items piled up on tables and shelves in the center, and jewelry, statues and other items in cases and shelves along the other wall. There was hardly enough room for either one of us to navigate the aisles, but Randy squeezed his big belly past all the fragile items without breaking anything, and found enough room in back by the mirror to decide that the flannel jacket he had picked out was just right. After completing the purchase, we offered the proprietor a choice of CDs, and he eagerly snatched up the JGB disc once he noticed it among the offerings. Before leaving, we asked the proprietor for a restaurant recommendation, and after thinking a few minutes, he drew a quick map and sent us out to find the Ing Bar.

The Ing Bar turned out to be one of many small bars/restaurants in the Ponto-cho district lining the narrow roads that run parallel to the Takasegawa and Kamogawa rivers. Without the recommendation, we would never have picked it out, as the bar was up on the second or third floor of a building that had some eight to ten restaurant/bars, in a block that had at least a dozen similar buildings. Upon walking in, we were a little dubious, as the only people inside were the two crew members behind the bar, but they answered affirmatively when we asked about getting food, so we sat down facing them in the middle of the bar. The restaurant was really teensy -- probably less than 400 square feet total -- and the only seating was at the half-dozen or so stools at the bar, or at the two small tables squeezed into an alcove behind the bar (and barely visible in the picture of us seated at the bar).

Unfortunately, the bar didn't have a menu (!), but through a combination of shot-in-the-dark requests on our part and show-and-tell pantomime on the part of the crew members, we were able to eat a hearty, homestyle meal of soup, vegetables, fish and rice, served in a series of small courses, much like eating tapas. As the stereo was shuffling through a succession of jazz discs, Randy offered the crew members a CDR of the Marilyn Crispell - Gerry Hemmingway duo from Yoshi's in 1995. Although they were quick to pop the new CD into the player, we could tell by their quizzical expressions that they weren't all that familiar with the spaced-out style of avante garde jazz that is Marilyn's forte. A man walked in and starting smoking up a storm at the end of the bar. Literally getting smoked out in the cramped space, we bid them goodbye with the sound of Marilyn and Gerry crashing around merrily in the background. Outside, it looked as if things were picking up as more people were strolling about than when we went in to eat.

Walking a block or two more down Pontocho-dori brought us to the main drag of Kawaramachi-dori, where we turned and headed down towards the Shijo subway station. About halfway there, we stopped and crossed the street to check out another street-side shrine, this one at Shinyogoku-dori. Unfortunately, like so many other sights, this one was left out of our Kyoto guidebook, and the only signage was in Japanese, so we'll remain ignorant about its name for now.

After taking the subway back down to the main railway station, we wandered back through the underground mall towards our hotel. Everything was pretty much closed up, though a few of the bars, restaurants, and coffeeshops were still open. We stopped to take a picture of the nice Buddha painting that had been added to the art display set up in one of the open areas, then continued on back to the hotel for some well-earned rest.
 

 Emergency Escape Sign
 Waiting for the bus to Ohara
 Sleepy Ting
 All buses look alike!
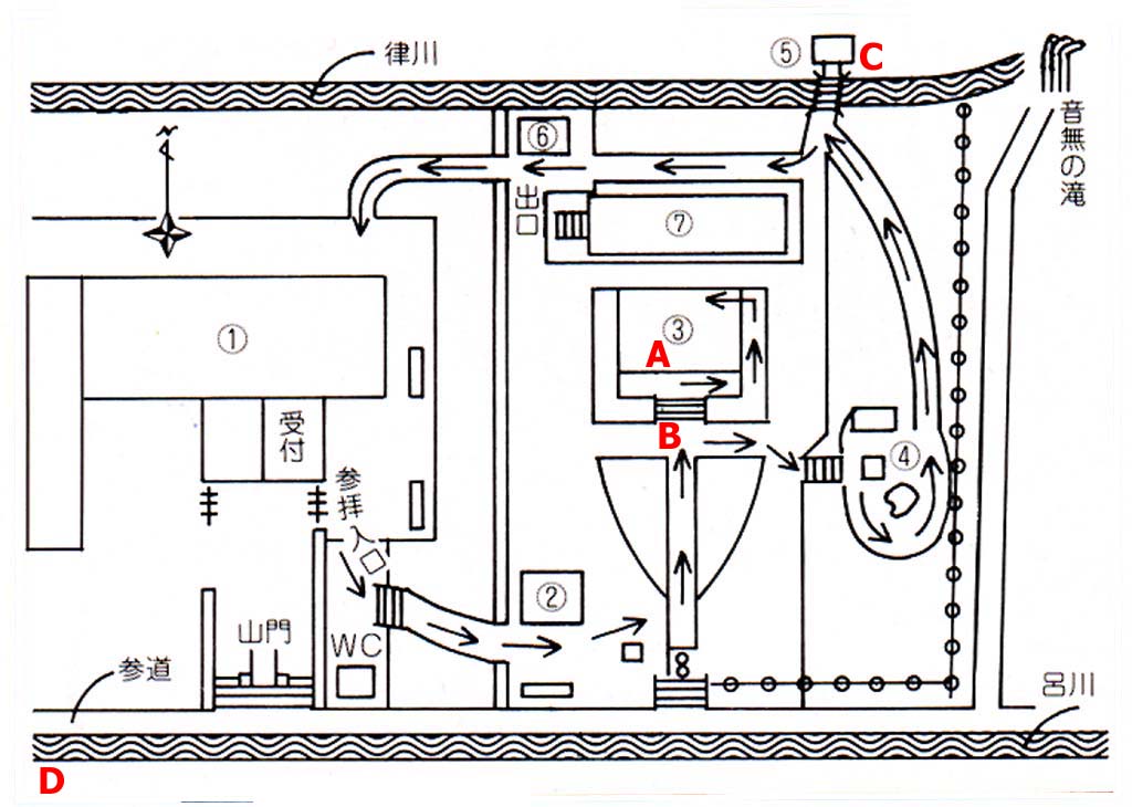
 Ohara Map
(1A) Sanzenin Map
 (1B) Plaque
 (1C) Sanzenin Gate
 Entrance Ticket
Guide Pamphlet
 (1D) Indoor Zen garden
 (1E) Chrysanthemum  Screen
 (1F) Small Statue
Large Wooden Fudo Myoo Statue
 (1G) Ting on the Deck
(1G) Stormy Mountain Landscape
Alcove Art
 (1H) Randy on the Corner
Garden View
(1I) Purification Basin
 (1J) Main Shrine
Amitabha Trinity Closeup
(1K) Calligraphy
(1L) Statue in the Garden
(1M) Gold-leaf Lintels
  Garden Map
(1N) Goddess of Music
(1O) Garden Shrine
 Stone Buddha Closeup
 (1P) Lunch-spot View
 (1Q) Memorial Temple
 Stands Holding Thousands of Tiny Memorial Icons
 (1N) Row of Gates
Sanzenin Stamp
 (1R) Looking Towards Main Temple Entrance
 Stone Carving
Autumn Foliage Postcard #1
Autumn Foliage Postcard #2
Blooming Phododendron Postcard
 Cherry Blossom Postcard
Blooming Hydrangea Postcard
...back to our photographs 
 (2) Trailhead Sign
 (3) At the falls!
Otonashi no Taki Falls
Ting climbs halfway up
On the Trail Back
 Humongous Face Fungus
Looking back through the trees at a small waterfall 
(4) Raigoin Sign
Raigoin Pamphlet
Raigoin Map
Raigoin Stamp
(4A) Main Altar
(4B) Ting relaxing on the Temple Steps
 (4C) Stone Pagoda
 (4D) View along the Ro River, walking back towards Sanzenin
 Unlabeled Shrine along the road
 Cat Shrine
 Another river view
 Tree Face: 
Before Filtering
 Tree Face: 
After Filtering
(5) Smoke in the Trees at an unlabeled shrine 
 Randy watches temple smoke rise into the trees
Unknown Shrine Sign
 Ting on the Country Road 
 (6) Shorinin Sign
 Eleven-headed Amitabha
 Amitabha, no flash, sumi-e filtering
Right Side Guardian
Main Buddha, dry-brush filter
Left Side Guardian
Hosenin Guide
Randy and the Ancient Pine Tree
 Randy enoying a hot cup of tea
 Tea-room Altar
 Garden view from the deck above the koi pond
 View of the Tea-room
 (7) Nicely Rusted Roof
 Another unmarked Shrine
Rekishi Kado Stamp 
 8. Filming at Shimogamojinja
 Everybody Ready?
 Action!
 A moe. sticker!?!
 9. Randy at 
Shi Mogoryo Jinja Gate
 Shi Mogoryo Jinja Shrine
  Celebrating the Year of the Snake!
 Shi Mogoryo Jinja Sign
 10. Shin Shin Do Sign
 Cousin Tsuzuki & Randy
 11. Ing Bar Crew
 Ting and Randy 
at the bar
 12. Shrine at Shinyogoku-dori
 Buddha Painting
    

TOMORROW